AR42 is a high-integrated and compact size stepper driver. It adopts standard RS485 communication
protocol, can be connected with PLC, HMI, industrial computer and other upper computer with only two
communication lines. Up to 32 axes of motion platform networking can be achieved with its built-in motion
control commands.
AR42 can be set to 1-256 subdivisions and adopts built-in micro-subdivision technology, which can achieve
high subdivision effects even under low subdivision conditions, ensuring that the motor operates with uniform
step intervals and no large or small step problems.
Can be set between 1-256 subdivisions, with uniform motor step spacing; Stable output at 1/12 rpm
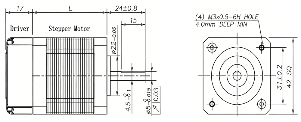
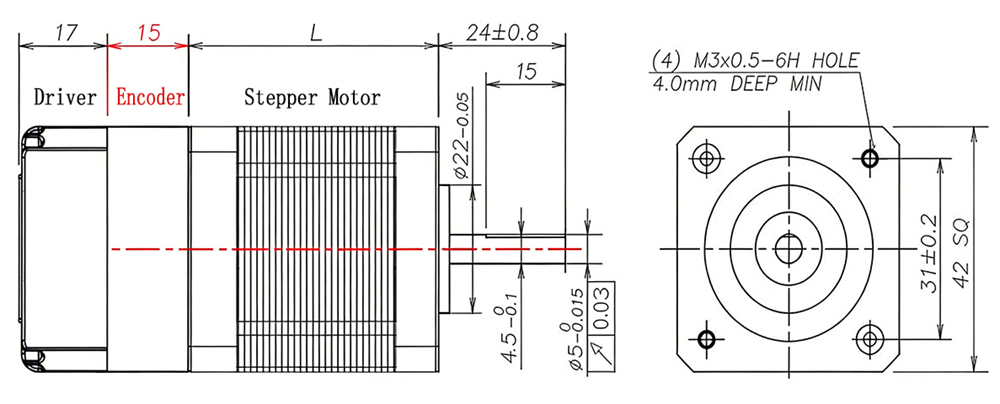
AR42 is designed for NEMA17 stepper motor, The NEMA17 integrated stepper motor with
torque 0.35, 0.50 and 0.7Nm:



| Model No. | Holding Torque(Nm) | Motor Length L(mm) | Shaft diameter(mm) | Encoder Type |
| AR42-03 | 0.35 | 40mm | 5 | 1000 line Magnetic Encoder |
| AR42-05 | 0.50 | 48mm | 5 | |
| AR42-07 | 0.70 | 60mm | 5 | |
| NEAM23 Integrated stepper motor with Optical Encoder, the length will add 15mm | ||||
| AR42-03L | 0.35 | 40mm | 5 | 1000 line Optical Encoder |
| AR42-05L | 0.50 | 48mm | 5 | |
| AR42-07L | 0.70 | 60mm | 5 | |

Port Definition
OUT /OUT- as defferential output port, Max.receive voltage is DC24V, and instaneous ouput
current is 100mA, continuous output current is 50mA.
Set ID address, Baud Rate and Ouptut current by SW1~SW10:
Zero-return function with two trajectory A and when limit signal is triggered and not:

AR42 Modbus Stepper Motor Controller User Manual 
Software Modbus Poll 
AdamPower Software
More Information on detail, please feel free to contact me 
- Availability: In Stock
- Model: AR42
- Brand: Adampower